例: SP1231F|SP1233FL|SW6124|SW6106|CS8626
IU8632:超小封装,扩频功能,固定40倍增益免滤波,20W单声道类音频放大器

Part NO:IU8632:超小封装,扩频功能,固定40倍增益免滤波,20W单声道类音频放大器

封装:e-MSOP10

工作电压:4.5V~18V

简介:
  • IU8632E是一款超小封装单声道D类音频功率放大器,专为AI音箱、家庭音响系统等需高质量音频输出的设备设计,采用e-MSOP10封装(底部带PGND散热片),工作环境温度-40~85℃,结温范围-40~150℃,ESD防护达±2KVHBM),转换效率高达92%,无需额外散热器即可稳定工作。其输入电压覆盖4.5~18V(极限过压保护18V),适配多种供电场景,包装为13英寸卷带(12mm宽度,5000/卷),能有效节省PCB面积。

    输出功率根据供电电压和负载灵活调整,1% THD+N条件下,9V/4Ω负载为8.5W12V/4Ω下15W15V/4Ω下最高22W12V/8Ω下8.5W16V/8Ω下13W,可满足中低功率音频输出需求。音频性能优异,总谐波失真加噪声(THD+N)低至0.1%,信噪比(SNR)达102dB,电源纹波抑制比70dB,串扰低至-100dB,输出噪声仅90μV,声音还原清晰,抗干扰能力强。

    核心功能上,它具备扩频技术,当CTRL引脚电压在1.05~1.25V时开启,开关频率在315kHz±25kHz随机变化,可有效分散频谱能量降低EMI,输出端搭配廉价铁氧体磁珠即可满足EMC要求,实现免滤波设计。芯片采用40倍固定增益,内置16K输入电阻和640K反馈电阻,减少外围器件;支持差分输入和单端输入,差分输入能抑制共模噪声、避免开关机噗声,单端输入需注意阻抗匹配和信号走线。CTRL引脚兼具多功能,高电平(≥2V)开启芯片,低电平(≤0.8V)进入待机模式(待机电流典型值20μA),电压大于1.6V时关闭扩频模式,不可悬空,最高可接PVCC

    保护机制完善,输出端短路时会立即关断输出,故障排除后110ms自动恢复;结温超过170℃(±15℃容差)时触发过热保护,温度下降20℃后自动重启;还内置过流保护、过压保护,能有效保护芯片与扬声器。应用时,PCB布局需让底部散热片大面积覆铜并通过过孔接地以增强散热;单端输入需注重信号走线与地平面分布,避免公模干扰;关断电源前建议先将CTRL拉低至待机模式,以实现最佳关断性能。

    IU8632的特性

    输出功率

    PO at 1% THD+N, VDD = 12V@RL = 4 Ω P=15W

    PO at 1% THD+N, VDD = 15V@RL = 4 Ω P=22W

    PO at 1% THD+N, VDD = 12V@RL = 8 Ω P=8.5W

    PO at 1% THD+N, VDD = 16V@RL = 8 Ω P=13W

    效率高达92%,无需散热片

    扩频功能

    电源电压范围:4.5V~18V

    内置16K输入电阻,集成640K的反馈电阻

    免滤波功能

    输出管脚方便布线布局

    良好短路保护和具备自动恢复功能的温度保护

    良好的失真和防噗声功能

    差分输入

    IU8632的应用信息

    图片1.png 

    1 典型应用图

    图片2.png 

    2 引脚排列及定义

    图片3.png 

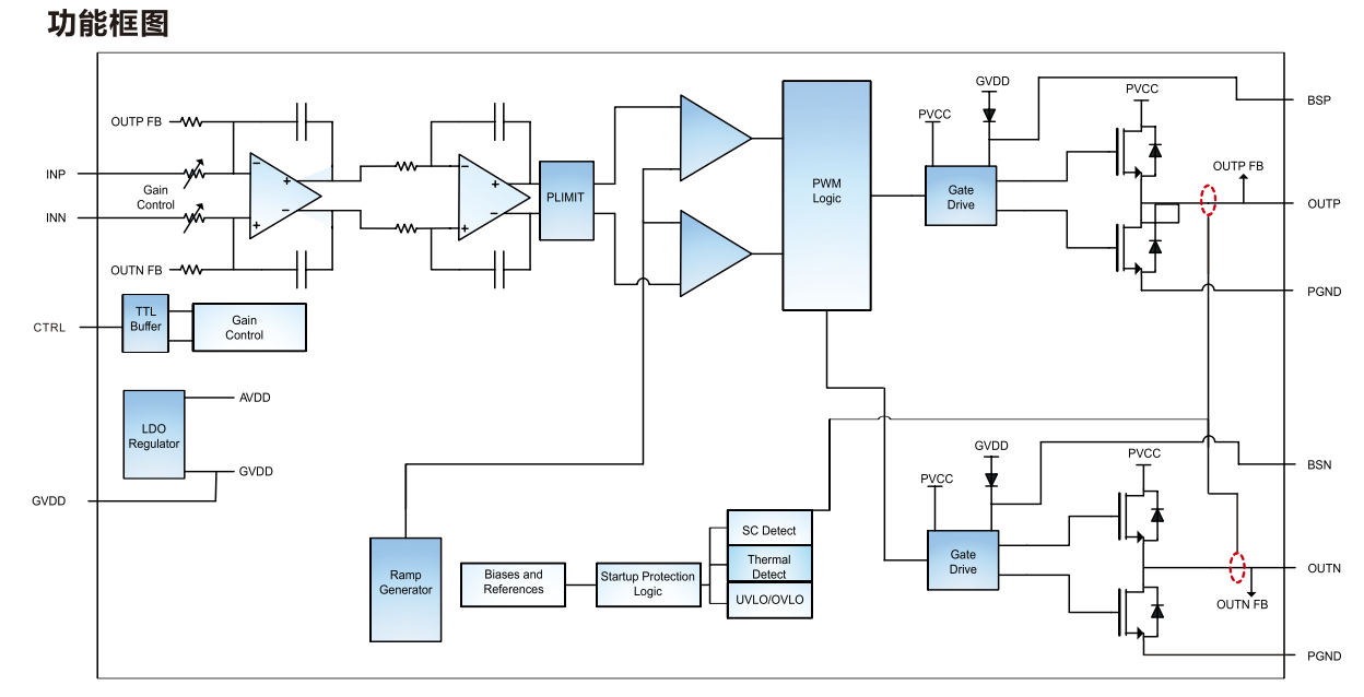
    3 功能框图

    图片4.png 

    4 基础参数

    图片5.png 

    图片2.png 


  • 友情链接:

    关于我们产品展示方案技术新闻资讯

    深圳市龙华区民治街道民乐路粤通综合楼D栋511室

    联系人:刘先生13794497935      Email:ben@sandtech.cn

    微信公众号

    Copyright copy; 2018 上大科技, All Rights Reserved
    粤ICP备18073833号-1 版权所有:上大科技   网站建设:深圳北易
    上大科技 销售总监
    上大科技 销售经理
    上大科技 销售经理
    上大科技 电话
    上大科技 微信
    上大科技
    返回顶部