例: SP1231F|SP1233FL|SW6124|SW6106|CS8626
CS8755:四段增益选择,静音控制,开关频率可选,2X125W立体声、250W单声道D类音频功率放大器

Part NO:CS8755:四段增益选择,静音控制,开关频率可选,2X125W立体声、250W单声道D类音频功率放大器

封装:EFB40

工作电压:8V~42V

简介:输出功率(THD+N=10%)
VDD = 30V@RL=4Ω 2X130W
VDD = 42V@RL=8Ω 2X125W
输出功率(PBTL模式,THD+N=10%)
VDD = 36V@RL = 4Ω 175W
VDD = 42V@RL=4Ω 250W
  • CS8755E 是一款高功率、多功能的 D 类音频功率放大器,支持 2×125W 立体声与 250W 单声道输出,主打四段增益选择、静音控制与多模式适配,采用带顶层散热焊盘的 EFB40 封装,额定工作温度 - 20℃至 85℃,适配车载音频、家庭音响等大功率音频场景,兼具高可靠性与灵活调控性能。

    芯片具备 8V~42V 宽单电源供电范围,55V 高耐压设计大幅提升工作稳定性,降低生产不良率,最高效率可达 92%PVCC=15VPo=2×20W 工况),静态电流支持低功耗可选 ——ADP 管脚悬空时仅 30mA,接地时为 100mA,适配不同功耗需求的场景。功率输出表现强劲,THD+N=10% 条件下,30V/4Ω 立体声输出 2×130W42V/8Ω 立体声输出 2×125WPBTL 单声道模式下,42V/4Ω 可输出 250W4Ω 负载最低驱动电压支持至 42V,同时总谐波失真加噪声低至 0.05%,输出噪声在 20~22kHz 频段为 - 78dBV,音频输出品质优异,搭配先进 EMI 抑制技术,仅需少量外围器件即可实现高质量音频输出。

    芯片搭载丰富的调控功能,支持四段增益可调(20/30/40/60 倍),通过 GAIN0 GAIN1 管脚组合控制,内部集成对应输入电阻与反馈电阻;开关频率可通过 FreqS 管脚三档选择(悬空 300KHz、接 AVDD 400KHz、接地 500KHz),适配不同 EMI 需求。具备主从模式,通过 SLV 管脚设置主从状态,主芯片 SYN 管脚输出时钟信号,从芯片接收同步,可实现无限级联扩展多路输出;同时配备静音(MUTE)与关机(SD)控制管脚,操作便捷,MUTE 端最高耐压 6V

    保护机制完善,内置过流、短路、过热保护,过流保护点可通过 ILIMIT_SET 管脚调节,过流后支持自恢复(OCP_S 悬空)或自锁(OCP_S 接地)模式选择;过热保护阈值为 170℃(±15℃容许范围),降温 20℃后自动恢复工作。此外,芯片设有 CLIP_OTW 管脚,可检测音频信号削波与 CB3C 电流保护状态并发出指示,削波时通过注入窄脉冲维持输出活动,避免 PWM 信号停止。

    CS8755的特性

    输出功率(THD+N=10%)

    VDD = 30V@RL=4Ω 2X130W

    VDD = 42V@RL=8Ω 2X125W

    输出功率(PBTL模式,THD+N=10%)

    VDD = 36V@RL = 4Ω 175W

    VDD = 42V@RL=4Ω 250W

    单电源供电,宽电源电压范围:8V~42V

    高可靠性设计:55V耐压设计

    效率:92%@PVCC=15V PO=2X20W

    四段增益可选,静音功能控制

    主从模式,输出过流保护电流可选

    过流保护后有自恢复以及自锁模式可选

    低功耗可选:音频系统带滤波网络,静态电流30mA@24V

    多重开关频率可选

    输出管脚方便布线布局

    自举电容补电模式可选

    良好的失真和防噗声功能

    差分输入

    增强型封装设计:顶层散热焊盘的特殊设计

    CS8755应用信息

    图片1.png     

    1 典型应用图

    图片2.png 

    图片3.png 

    图片4.png 

    2 引脚排列及定义

    图片5.png 

    图片6.png 

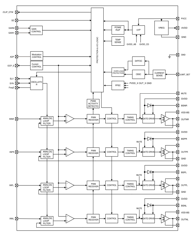
    3 功能框图

    图片7.png 

    4 基础参数

    图片8.png  

    图片2.png 


  • 友情链接:

    关于我们产品展示方案技术新闻资讯

    深圳市龙华区民治街道民乐路粤通综合楼D栋511室

    联系人:刘先生13794497935      Email:ben@sandtech.cn

    微信公众号

    Copyright copy; 2018 上大科技, All Rights Reserved
    粤ICP备18073833号-1 版权所有:上大科技   网站建设:深圳北易
    上大科技 销售总监
    上大科技 销售经理
    上大科技 销售经理
    上大科技 电话
    上大科技 微信
    上大科技
    返回顶部