例: SP1231F|SP1233FL|SW6124|SW6106|CS8626
CS8563:超低EMI,4.5Wx2,双通道带立体声耳机模式D类音频放大器

Part NO:CS8563:超低EMI,4.5Wx2,双通道带立体声耳机模式D类音频放大器

封装:SOP16

工作电压:2.7V-6.2V

简介:PO at 10% THD+N, VDD = 6V
RL=8Ω 2.30W(每通道)
RL=4Ω 4.50W(每通道)
PO at 10% THD+N, VDD =5.0V
RL=8Ω 1.60W(每通道)
RL=4Ω 3.20W(每通道)
PO at 10% THD+N, VDD =3.6V
RL=8Ω 0.90W(每通道)
RL=4Ω 1.70W(每通道)
  • CS8563S超低 EMI4.5W×2 双通道 D 类音频放大器,主打 双模式兼容 + 高音质 + 高可靠性,专为需要立体声输出的中小型电子设备设计。其核心优势在于支持桥式(BTL)与单端(SE)两种工作模式:桥式模式可驱动 4Ω/8Ω 扬声器,单端模式适配 32Ω 立体声耳机,无需额外切换芯片即可实现 扬声器 + 耳机音频输出切换;同时内置杂音抑制电路、多重保护机制与低功耗设计,适配 LCD-TV、笔记本电脑、数码相框、USB 扬声器等场景,兼顾音质与系统兼容性。

    CS8563的特性

    每通道输出功率

    PO at 10% THD+N, VDD = 6V

    RL=8Ω 2.30W(每通道)

    RL=4Ω 4.50W(每通道)

    PO at 10% THD+N, VDD =5.0V

    RL=8Ω 1.60W(每通道)

    RL=4Ω 3.20W(每通道)

    PO at 10% THD+N, VDD =3.6V

    RL=8Ω 0.90W(每通道)

    RL=4Ω 1.70W(每通道)

    工作电压范围:2.7V6.2V

    "咔嗒声和噼噗声"抑制电路

    SE模式,RL=32Ω,输出平均功率75mW,THD(max)<0.1%

    低关断电流(<0.1uA)

    过流保护,短路保护和热保护

    符合Rohs的无铅封装

    CS8563的应用信息

    image.png 

    1 典型应用图

    image.png 

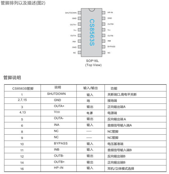
    2 管脚排列及定义

    image.png 

    3 基础参数

    image.png 

    image.png 

    刘先生:13794497935 ( 微信同号)          


         QQ:1154413202   


    蔡先生: 19373794842(微信同号)


         QQ:3353786219


  • 友情链接:

    关于我们产品展示方案技术新闻资讯

    深圳市龙华区民治街道民乐路粤通综合楼D栋511室

    联系人:刘先生13794497935      Email:ben@sandtech.cn

    微信公众号

    Copyright copy; 2018 上大科技, All Rights Reserved
    粤ICP备18073833号-1 版权所有:上大科技   网站建设:深圳北易
    上大科技 销售总监
    上大科技 销售经理
    上大科技 销售经理
    上大科技 电话
    上大科技 微信
    上大科技
    返回顶部