例: SP1231F|SP1233FL|SW6124|SW6106|CS8626
CS8726:兼容2.0&2.1&4.0音响应用,四通道4X70W、2.1应用2X60+120W、2.0应用2X99W D类音频功率放大器

Part NO:CS8726:兼容2.0&2.1&4.0音响应用,四通道4X70W、2.1应用2X60+120W、2.0应用2X99W D类音频功率放大器

封装:EFB40

工作电压:5V~28V

简介:输出功率:4通道
VDD = 24V@RL = 4 Ω THD+N=10% Po=4X75W
VDD = 24V@RL=4 Ω THD+N=1% Po=4X62W
VDD = 26V@RL=4Ω THD+N=1% Po=4X70W
VDD = 28V@RL = 6Ω THD+N=1% Po=4X60W
输出功率:2.1应用:VDD=24V,THD+N=1%
Po=2X34W RL=8Ω(高音) Po=60W RL=4Ω(低音)
Po=2X60W RL=4Ω(高音) LPo=120W RL=2Ω(低音)
输出功率:2.0应用
VDD = 24V@RL = 3 Ω THD+N=1% Po=2X77W
VDD = 28V@RL = 4 Ω THD+N=1% Po=2X80W
  • CS8726E 是一款高适配性多通道 D 类音频功率放大器,可兼容 2.02.14.0 三种音响应用组合,主打多功率输出模式与高可靠性,采用专属 EFB40 封装并设计顶层散热焊盘,适配车载音频、家庭音响、紧急呼叫等场景,额定工作温度 - 20℃至 85℃,能满足不同音响系统的功率与组合需求。

    芯片支持 5V~28V 宽单电源供电,拥有 36V 高耐压设计,大幅提升工作可靠性并降低生产不良率,最高效率可达 92%24V 供电下静态电流为 100mA。不同应用模式下功率输出表现优异,四通道模式 26V/4Ω 时可输出 4×70W2.1 模式 24V 下实现 2×60W(高音)+120W(低音),2.0 模式 28V/4Ω 时输出 2×99W,且总谐波失真加噪声低至 0.05%,信噪比 102dB,电源纹波抑制比 70dB,搭配先进 EMI 抑制技术,仅需少量外围器件就能实现高质量音频输出,还集成 9K 输入电阻与 540K 反馈电阻,可通过公式灵活设置增益。

    芯片内置完善的保护机制,具备过流、短路、过热保护功能,短路故障排除后 110ms 可自动恢复,结温超 170℃时自动关断,降温 20℃后恢复工作;配备 SDASDB 双引脚独立控制通道关机,均可拉低至低电位实现对应通道关断,双引脚均低电平时进入待机模式。此外,芯片对外部器件有明确选型要求,输出电感建议饱和电流 6A 以上,供电端需贴装 10uF 1uF 陶瓷电容且靠近管脚,供电电解电容推荐 470uF/50VPCB 设计需保证大电流路径粗短走线、良好接地,散热片推荐 60mm×80mm×26mm 的高密齿状款式,确保芯片性能充分发挥。

    CS8726的特性

    输出功率:4通道

    VDD = 24V@RL = 4 Ω THD+N=10% Po=4X75W

    VDD = 24V@RL=4 Ω THD+N=1% Po=4X62W

    VDD = 26V@RL=4Ω THD+N=1% Po=4X70W

    VDD = 28V@RL = 6Ω THD+N=1% Po=4X60W

    输出功率:2.1应用:VDD=24V,THD+N=1%

    Po=2X34W RL=8Ω(高音) Po=60W  RL=4Ω(低音)

    Po=2X60W RL=4Ω(高音) LPo=120W RL=2Ω(低音)

    输出功率:2.0应用

    VDD = 24V@RL = 3 Ω THD+N=1% Po=2X77W

    VDD = 28V@RL = 4 Ω THD+N=1% Po=2X80W

    单电源供电,宽电源电压范围:5V~28V

    音频系统带滤波网络静态电流100mA@24V

    高可靠性设计:36V耐压设计

    单片可实现2.0,2.1,4.0等各种音响组合

    效率:92%@PVCC=26VRL=8Ω Po=4X20W

    良好短路保护和具备自动恢复功能的温度保护

    良好的失真和防噗声功能

    增强型封装设计:顶层散热焊盘的EFB40特殊设计

     

    CS8726的应用信息

    图片1.png 

    1 典型应用图

    图片2.png 

    图片3.png 

    图片4.png     

    2 引脚排列及定义

    图片5.png 

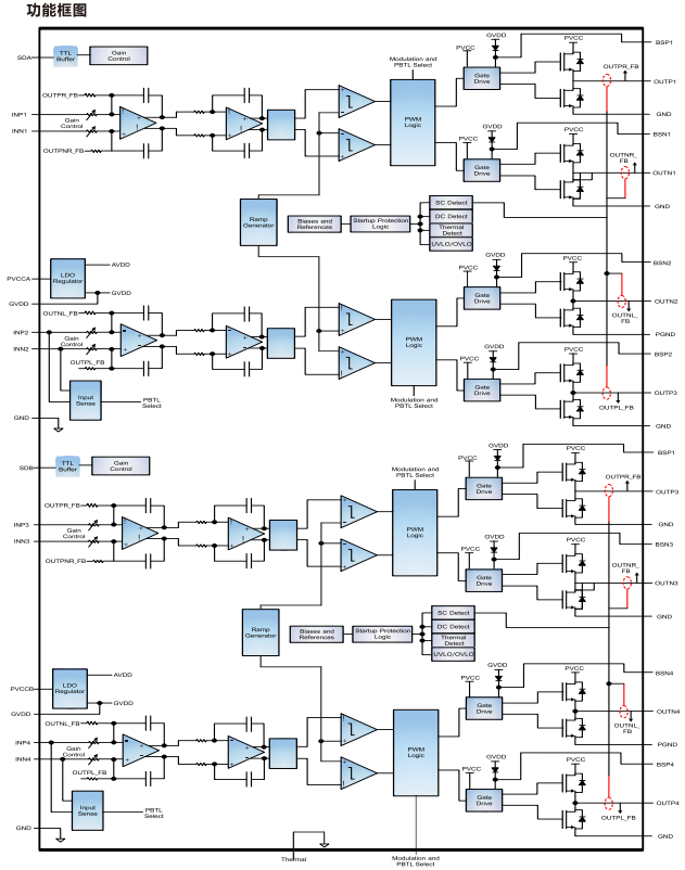
    3 功能框图

    图片6.png 

    4 基础参数

    图片7.png   

     


  • 友情链接:

    关于我们产品展示方案技术新闻资讯

    深圳市龙华区民治街道民乐路粤通综合楼D栋511室

    联系人:刘先生13794497935      Email:ben@sandtech.cn

    微信公众号

    Copyright copy; 2018 上大科技, All Rights Reserved
    粤ICP备18073833号-1 版权所有:上大科技   网站建设:深圳北易
    上大科技 销售总监
    上大科技 销售经理
    上大科技 销售经理
    上大科技 电话
    上大科技 微信
    上大科技
    返回顶部