例: SP1231F|SP1233FL|SW6124|SW6106|CS8626

IU8687、IU8689 + CS57066:主从模式级联输出、AM抑制的90W / 145W总功率的单、双声道音响方案

作者:上大科技发布日期:2025-10-18 14:04:27浏览人数:111

今天讲的方案主要是针对THD+N=10%的音响,具体使用到的IU8687:低空载电流,AM抑制功能,带主从模式,2X45W立体声D&88W单声道音频功放。和IU8687同系列的IU8689:低空载电流,AM抑制功能,带主从模式,145W单声道&2X75W立体声D类音频功放。假如需要THD+N=1%的音响方案可以查看:28V低失真、2X80W双声道、2X60W+120W 2.1及4X60W四声道音响方案_2X60W双声道、2X30W 60W2.1声道及4X30W四声道的音响方案_上大科技

音频功放

image.png 

image.png 

image.png 

image.png 

image.png 

IU8687在输入25V的情况下选择8Ω的喇叭就能做到THD+N=10%输出双声道2 X 45W或者选择4欧姆单声道88W。在功率不足够的情况下就可以选择另一颗IU8689

image.png 

image.png 

image.png 

image.png 

image.png 

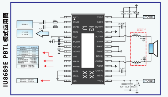
IU8689在输入24V的情况下选择4Ω的喇叭就能做到THD+N=10%输出双声道2 X 75W或者输入28V选用3Ω的喇叭做到单声道145W

升压系统

音响供电无非就是直流电或者交流电。这边默认直流电,而选择直流的大多数场景都是需要升压的,所以我介绍一款比较通用的升压,比较宽的电压范围可以升压到最高36V,适合功率150W以内的场景使用。CS5706622A 4.5V~24V 输入,单节锂电池适用,低静态电流,兼容同步和异步外围应用,DC-DC 升压 IC

image.png 

image.png 

image.png 

image.png 

充电IC

假如有配备电源系统的话,可以选用12V或者24V的电源系统。使用锂电池组成的话,可以随时询问我们搭配合适的充电管理芯片!

image.png 

刘先生:13794497935 ( 微信同号)          


     QQ:1154413202   


蔡先生: 19373794842(微信同号)


     QQ:3353786219


附件下载

IU8693 + CS57066 + IU5208:155W单声道音响方案

CS83812、CS83815:25W、35W单声道桌面音响方案

友情链接:

关于我们产品展示方案技术新闻资讯

深圳市龙华区民治街道民乐路粤通综合楼D栋511室

联系人:刘先生13794497935      Email:ben@sandtech.cn

微信公众号

Copyright copy; 2018 上大科技, All Rights Reserved
粤ICP备18073833号-1 版权所有:上大科技   网站建设:深圳北易
上大科技 销售总监
上大科技 销售经理
上大科技 销售经理
上大科技 电话
上大科技 微信
上大科技
返回顶部