例: SP1231F|SP1233FL|SW6124|SW6106|CS8626

FP5207兼容替代芯片CS5717:2.7V-36V宽输入,单节锂电池适用,异步升压DCDC

作者:上大科技发布日期:2026-02-26 15:47:15浏览人数:53

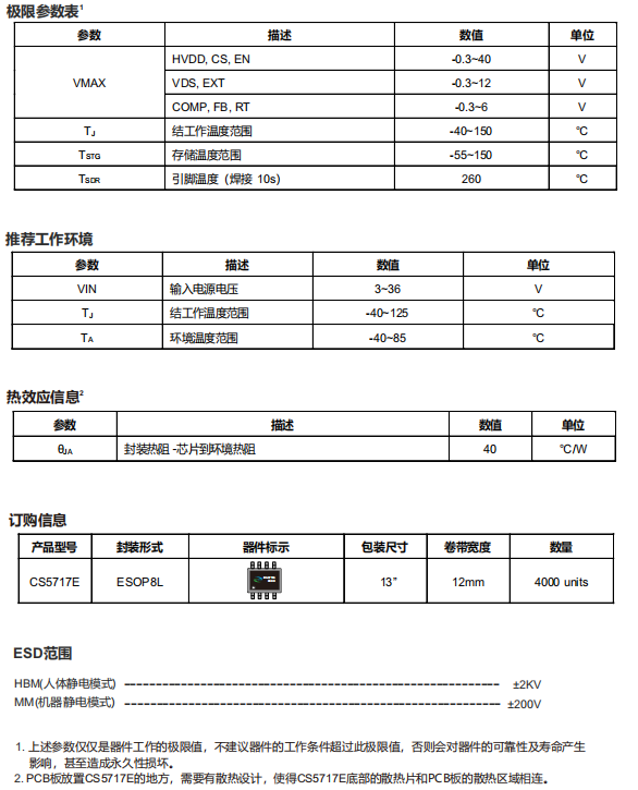
CS5717E是一款与FP5207核心性能、封装规格高度匹配的异步升压DC-DC控制器,可无缝兼容替代FP5207,无需修改PCB即可直接替换,适用于手持便携设备、LCD显示器、充电器、移动电源等原FP5207适配场景。芯片采用ESOP8L封装(底部带散热片,4000/卷),与FP5207的封装尺寸完全一致,工作结温-40~125℃,环境温度-40~85℃,ESD防护达±2KVHBM),可靠性与FP5207持平且部分性能更优。

核心参数全面覆盖FP5207需求,替代无压力:输入电压范围2.7V~36V,不仅覆盖FP5207的工作电压区间,还支持低至2.7V的启动电压,适配单节锂电池及宽压场景;开关频率100KHz~1MHz可调,与FP5207频率范围一致,外部RT电阻取值19.2KΩ~192KΩ(浮空默认180KHz),调节方式相同;反馈电压1.2V(精度±1%),通过FB引脚分压电阻设定输出电压,调节逻辑与FP5207一致,可复用类似分压电阻选型思路;关断电流3.5μA,低功耗表现贴近FP5207,待机对电池续航影响小。

功能与保护机制和FP5207完全对齐:采用电流模式PWM控制,轻载自动切换至跳周模式(PSM)提升效率,与FP5207工作逻辑一致;内置软启动功能,避免启动电流尖峰;输入欠压保护(2.6V阈值,0.1V滞回)、开关管过流保护(通过CS引脚外接电阻设定)、150℃过温保护(30℃滞回),保护体系完整覆盖FP5207的核心防护需求;需驱动外部NMOSEXT引脚提供栅极驱动信号,驱动方式与FP5207相同,外部MOS选型可复用原方案。

相比FP5207CS5717E输入电压范围更宽(36V最高输入),反馈电压精度更高(±1%),适用场景更灵活。外围配置可直接复用FP5207方案,电感、电容、分压电阻等无需重新选型,替换成本极低,是FP5207的高性价比替代选择。

一 CS5717的特性

2.7V~36V输入电压范围

100KHz1MHz的可调频率

±1%反馈基准电压

3.5μA关断电源电流

开关管过流保护OCP

输入欠压保护UVP

过温保护OTP

二 CS5717的应用信息

图片1.png 

典型应用图

图片2.png 

引脚排列及定义

图片3.png 

功能框图

图片4.png 

基础参数

图片5.png  

图片2.png 



附件下载

IU5925+CS5010:超级电容无线键盘电源芯片方案

没有了!

友情链接:

关于我们产品展示方案技术新闻资讯

深圳市龙华区民治街道民乐路粤通综合楼D栋511室

联系人:刘先生13794497935      Email:ben@sandtech.cn

微信公众号

Copyright copy; 2018 上大科技, All Rights Reserved
粤ICP备18073833号-1 版权所有:上大科技   网站建设:深圳北易
上大科技 销售总监
上大科技 销售经理
上大科技 销售经理
上大科技 电话
上大科技 微信
上大科技
返回顶部