例: SP1231F|SP1233FL|SW6124|SW6106|CS8626
TP4056 PTP:AH4056:28V耐压,1A单节锂电池线性充电IC

Part NO:TP4056 PTP:AH4056:28V耐压,1A单节锂电池线性充电IC

封装:ESOP8L、DFN2×2_8L、DFN3×3_8L

工作电压:4V-6V

简介:内置24V功率管,可承受高达28V的浪涌电压
恒流下最大充电电流可达1A,支持外部电阻实时配置充电电流
兼容5V USB功率源和AC适配器,并提供热插拔保护
支持4.2V/4.35V锂电池类型(默认不带后缀为4.2V版本)
  • AH4056H 作为高耐压线性锂电池充电管理芯片,完全兼容经典型号 TP4056,是兼具兼容性与升级特性的替代方案,适用于单节锂电池的便携式设备,可直接替换 TP4056 使用。

    它在封装、引脚功能、充电逻辑上与 TP4056 高度匹配:封装涵盖 ESOP8DFN2×2-8DFN3×3-8,与 TP4056 常见封装一致,无需修改 PCB 布局;核心引脚功能对应,PROG 引脚可通过外接电阻调节充电电流(300mA 以上公式 I_BAT=1000/R_PROG300mA 以下为 900/R_PROG),CHRG(充电指示)、DONE(充满指示)引脚逻辑相同,均为漏极开路输出,LED 限流电阻选型一致(推荐 1K 以上),TEMP 引脚支持 NTC 温度检测(不用时接地),CE 引脚控制芯片使能(高电平工作、低电平关断),替换时无需调整控制逻辑。

    充电模式完全兼容 TP4056 的四阶段充电(短路充电→涓流充电→恒流充电→恒压充电),浮充电压默认 4.2V(±1%),与 TP4056 标准一致,另有 4.35V 版本可选,充电电流降至设定值 1/10 时自动停止,再充电阈值 4V,符合 TP4056 的充电特性,可直接适配原有电池方案。

    同时 AH4056H TP4056 基础上升级了关键性能:内置 24V 功率管,可承受 28V 浪涌电压,输入过压保护 6.5V,解决 TP4056 耐压不足的问题;所有端口具备 ±3000VHBMESD 保护,电池端漏电<1μA,防倒灌性能更优;集成充电电流热调节、芯片过温保护(150℃),可靠性更强,且支持高压热插拔(VCC 端可串 1Ω 电阻过滤尖峰),适配更复杂应用场景。

    AH4056的特性

    内置24V功率管,可承受高达28V的浪涌电压

    恒流下最大充电电流可达1A,支持外部电阻实时配置充电电流

    兼容5V USB功率源和AC适配器,并提供热插拔保护

    支持4.2V/4.35V锂电池类型(默认不带后缀为4.2V版本)

    预设4.2V±1%充电浮充电压

    根据电池温度和输入电压智能调节充电电流

    具有电池防倒灌功能,电池端漏电1uA以下

    集成充电和充满提示,以及电池未连接指示

    完善的保护:输入过压,输入欠压,充电电流热调

    ,芯片热保护,恒流充电软启动

    结温范围为-40°C+85°C

    所有端口都具备士3000V(HBM)ESD保护

    AH4056的应用信息

    图片1.png 

    1 典型应用图

    图片2.png 

    2 引脚排列及定义

    图片3.png 

    图片4.png 

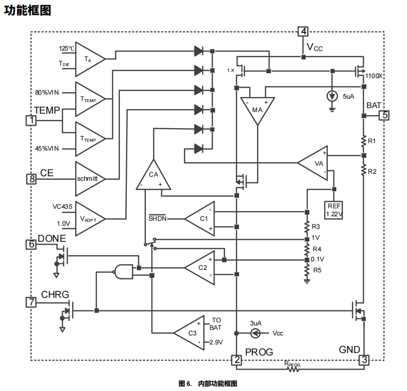
    3 功能框图

    图片5.png 

    图片2.png 

    刘先生:13794497935 ( 微信同号)          


         QQ:1154413202   


    蔡先生: 19373794842(微信同号)


         QQ:3353786219


  • 友情链接:

    关于我们产品展示方案技术新闻资讯

    深圳市龙华区民治街道民乐路粤通综合楼D栋511室

    联系人:刘先生13794497935      Email:ben@sandtech.cn

    微信公众号

    Copyright copy; 2018 上大科技, All Rights Reserved
    粤ICP备18073833号-1 版权所有:上大科技   网站建设:深圳北易
    上大科技 销售总监
    上大科技 销售经理
    上大科技 销售经理
    上大科技 电话
    上大科技 微信
    上大科技
    返回顶部