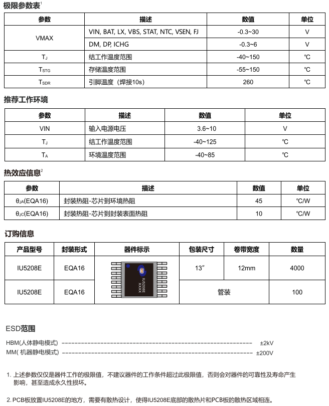
封装:EQA16
工作电压:3.6V~10V
IU5208E 是针对 3 节串联锂电池设计的升压充电芯片,支持 20W 快充,集成 30V OVP 功能,输入端口可稳定承受 30V 以内耐压冲击,BAT 输出端口同样耐压 30V,适配 TYPE-C 接口应用场景。采用 EQA16 封装,额定工作温度覆盖 - 40℃至 85℃,集成功率 MOS 与异步开关架构,外围器件需求少,能有效缩减方案尺寸、降低 BOM 成本,升压开关频率固定为 500KHz。
芯片输入电压推荐范围 3.6~10V,恒流充电电流最大 1.3A 且支持外部电阻调节(典型值 1A),充电浮充电压典型值 12.6V(范围 12.474~12.726V),支持涓流、恒流、恒压三段式充电,涓流转恒流阈值 8.4V,充电终止电流为恒流电流的 10%。内置输入电流自适应、芯片温度调节等环路,可智能调整充电电流防止拉垮适配器,还能根据电池电压自动申请快充(5V/7V/9V),申请失败时维持 5V 充电。
此外,芯片 NTC 管脚可复用为使能功能,外接热敏电阻可检测电池温度(低温阈值 1.31V、高温阈值 0.4V),不用时需接 47KΩ 电阻到地;STAT 管脚支持 LED 充电状态指示,充电时常亮、充满熄灭,故障时 1.6Hz 闪烁,同时集成 150℃过温保护(20℃滞回)、BAT 端过压保护(13.78V)及短路保护,适用于蓝牙音箱、POS 机、锂电电池包、对讲机等设备。
20W异步开关升压充电
根据电池电压,自动申请快充输入,提高充电效率
BAT端耐压30V,内部集成高压晶体管
最大1.3A充电电流,充电电流外部电阻可调
NTC功能,与使能功能复用
输入电流自适应功能,自适应点外部可调
支持LED充电状态指示
500KHz开关频率
输出过压,短路保护
集成30VOVP功能
IC过温保护,IC温度自适应调节功能
良好的EMI特性

刘先生:13794497935 ( 微信同号)
QQ:1154413202
蔡先生: 19373794842(微信同号)
QQ:3353786219
友情链接: