例: SP1231F|SP1233FL|SW6124|SW6106|CS8626
MCP73811替代芯片AH7381:24V高耐压0.5A线性单节锂电池充电管理芯片

Part NO:MCP73811替代芯片AH7381:24V高耐压0.5A线性单节锂电池充电管理芯片

封装:SOT23-5

工作电压:4.5V~24V

简介:
  • AH7381是一款高性价比线性锂电池充电管理芯片,可作为MCP73811的优选替代方案,适用于移动多媒体设备、MP3MP4及各类带USB输入的便携式设备,核心充电功能与应用场景高度适配MCP73811的使用需求。芯片采用SOT23-5封装,与MCP73811封装形式一致,便于快速替换布局,工作结温-40~125℃,所有端口具备±2000VHBMESD防护,可靠性不逊于原方案。

    核心性能对标MCP73811且优势升级:输入电压范围4.5~24V,可承受28V浪涌电压,远超MCP73811的输入耐压上限,适配更多高压供电场景;最大充电电流500mA,支持通过外部PROG引脚电阻灵活设定,调节逻辑简单,与MCP73811的电流设定方式兼容,无需大幅调整外围参数。默认浮充电压4.2V(精度±1%),还可定制4.25V/4.3V/4.35V版本,适配MCP73811支持的各类单节锂电池规格。

    充电流程与MCP73811保持一致,支持短路(SC)、涓流(TC)、恒流(CC)、恒压(CV)四阶段完整充电:电池电压低于0.6V时短路唤醒,0.6~2.9V时涓流预充,高于2.9V后恒流快充,充电电流降至设定值的1/10时自动停止,电池电压跌落至95.7%浮充电压以下重新启动充电,保障电池安全充满。具备完善保护机制,包含输入过压保护(典型6.25V)、输入欠压锁定、150℃热保护、充电电流热调节、恒流软启动及电池防倒灌功能(漏电<1uA),保护维度覆盖MCP73811的核心防护需求。

    AH7381的特性

    最大输入24V电压,可承受高达28V的浪涌电压

    恒流下最大充电电流可达500mA,支持外部电阻实时配置充电电流

    兼容5VUSB功率源和AC适配器,并提供热插拔保护

    支持4.2V/4.25V/4.3V/4.35V锂电池类型(4.25V/4.3V/4.35V需定制)

    预设4.2V1%充电浮充电压

    根据电池温度和输入电压智能调节充电电流

    具有电池防倒灌功能,电池端漏电1uA以下

    完善的保护:输入过压,输入欠压,充电电流热调

    ,芯片热保护,恒流充电软启动

    结温范围为-40°C+125°C

    所有端口都具备士2000V(HBM)ESD保护

    AH7381的应用信息

    图片1.png 

    1 典型应用图

    图片2.png 

    2 引脚排列及定义

    图片3.png 

    图片4.png 

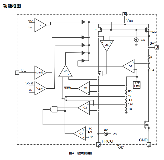
    3 功能框图

    图片5.png 

    4 基础参数

    图片6.png 

     

    图片7.png 

     

     


  • 友情链接:

    关于我们产品展示方案技术新闻资讯

    深圳市龙华区民治街道民乐路粤通综合楼D栋511室

    联系人:刘先生13794497935      Email:ben@sandtech.cn

    微信公众号

    Copyright copy; 2018 上大科技, All Rights Reserved
    粤ICP备18073833号-1 版权所有:上大科技   网站建设:深圳北易
    上大科技 销售总监
    上大科技 销售经理
    上大科技 销售经理
    上大科技 电话
    上大科技 微信
    上大科技
    返回顶部