封装:DFN3X3_10L
工作电压:1.8V-5.0V
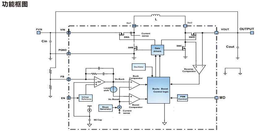
IU5528D是一款超微小型、超低功耗的升降压一体DC-DC电压调整器,适配双节/三节干电池或单节锂电池应用,主要面向电池产品、4G/5G模块、AIOT、POS系统等场景,采用DFN3X3_10L封装,工作电压范围1.8~5.0V,额定工作温度-20~85℃,能有效延长设备电池使用时间。
核心性能表现优异:输出电压可在1.2~5V之间通过外接两个电阻调整,最大效率达95%;输出电流能力随输入输出电压组合变化,4.2V输入转3.3V输出时最大2.6A,3.7V输入转5.0V输出时最大1.8A。开关频率为1MHz,静态电流仅8μA(MD=0V低功耗模式),关断电流小于0.1μA,支持PWM/PSM自动切换,在宽负载范围内保持高效率与低纹波。
功能与可靠性设计完善:具备软启动功能和100%占空比低压操作能力,内置输入欠压保护(1.6V阈值,200mV滞回)、温度保护(150℃触发,20℃滞回);通过MD管脚可切换工作模式,高电平强制PWM模式,低电平为PSM模式;EN管脚用于开启或关闭芯片,操作便捷。
PCB布局需注意:芯片底部散热片需与PCB散热区域相连并接地;输入输出电容建议选用22μF以上陶瓷电容,且尽量靠近芯片引脚;功率通路走线需短而粗,电感引脚需与其他元件隔离,以保障性能稳定。整体凭借小尺寸、低功耗、高效率及灵活的电压转换特性,为各类便携电子设备提供可靠的供电解决方案。
高效率:最大效率可达到95%
电流输出能力:
4.2V->3.3V:2.6A 3.0V->3.3V:1.7A
2.5V->3.3V:1.3A 1.8V->3.3V:0.7A
3.0V->5.0V:1.4A 3.7V->5.0V:1.8A
低功耗静态电流:8uA(MD=0V)
关断电流:<0.1μA
输入电压范围:1.8~5V
可调输出电压范围:1.2~5V
开关频率:1MHz
基准电压:0.6V
软启动
低压操作,可达100%占空比
PWM/PSM自动切换占空比自动可调,以保持很大负载范
围内的高效率、低纹波

刘先生:13794497935 ( 微信同号)
QQ:1154413202
蔡先生: 19373794842(微信同号)
QQ:3353786219
友情链接: